球閥标準概述:
球閥隻需要用旋轉90度的操作和很小的轉動力矩就能關閉嚴密,全通徑的閥體内腔爲介質提供瞭(le)阻力很小、直通的流道,法蘭球閥的主要特點是本身結構緊湊,易於(yú)操作和維修,适用於(yú)水、溶劑、酸和天然氣等一般工作介質,球閥而且還适用於(yú)工作條件惡劣的介質,如氧氣過氧化氫,甲烷和乙稀等,球閥可以是整體的,也可以是組合式的。

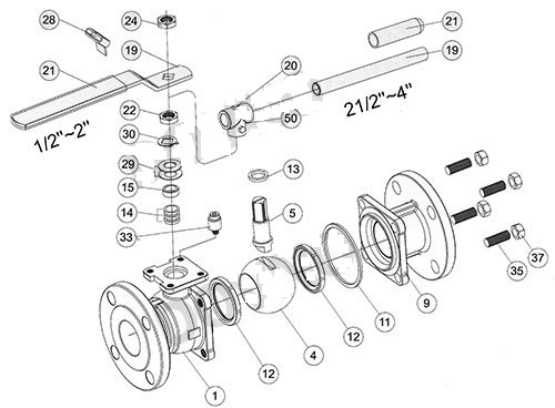
球閥結構特點:
球閥按GB、ANSI、JIS、DIN設計标準,閥體表面精細、美觀,設計有防靜電,耐火結構,法蘭球閥採用ISO5211直接安裝執行器的平台設計,球體與球體之間帶防靜電裝置,閥杆防爆出設計,法蘭球閥有雙層閥杆填料符合閥杆洩露測試要求,雙碟形彈片自動壓緊填料設計,經上述特殊工藝處理,法蘭球閥不僅操作快速靈便,流阻小,可靠,而且使用壽命長(密封副沖刷小)。
球閥産品工藝:
1.設計圖樣,模具。 2.蠟型 3.制殼,固溶化 4.澆鑄 5.檢驗,清理。 6.熱處理,修整 7.加工 8.測試,出庫
球閥原理分類:
1.浮動球閥
球閥的球體是浮動的,在介質壓力作用下,球體能産生一定的位移並緊壓在出口端的密封面上,保證出口端密封。浮動球閥的結構簡單,密封性好,但球體承受工作介質的載荷全部傳給瞭出口密封圈,因此要考慮密封圈材料能否經受得住球體介質的工作載荷。這種結構,廣泛用於中低壓球閥。
2.固定球閥
球閥的球體是固定的,受壓後不産生移動。固定球閥都帶有浮動閥座,受介質壓力後,閥座産生移動,使密封圈緊壓在球體上,以保證密封。通常在與球體的上、下軸上裝有軸承,操作扭距小,适用於高壓和大口徑的閥門。爲瞭減少球閥的操作扭矩和增加密封的可靠程度,近年來又出現瞭油封球閥,既在密封面間壓注特制的潤滑油,以形成一層油膜,即增強瞭密封性,又減少瞭操作扭矩,更适用高壓大口徑的球閥。
3.彈性球閥
球閥的球體是彈性的。球體和閥座密封圈都採用金屬材料制造,密封比壓很大,依靠介質本身的壓力已達不到密封的要求,施加外力。這種閥門适用於高溫高壓介質。彈性球體是在球體内壁的下端開一條彈性槽,而獲得彈性。當關閉通道時,用閥杆的楔形頭使球體漲開與閥座壓緊達到密封。在轉動球體之前先松開楔形頭,球體随之恢複原原形,使球體與閥座之間出現很小的間隙,可以減少密封面的摩擦和操作扭矩。